Mold Parts
HASCO Flat Ejector
Z4655/b1xs1xl1
WS (~1.2516)
DIN ISO 8693
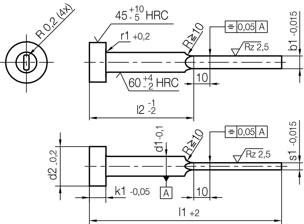
Flat ejector pin, with four corner radii
Z4655/b1xs1xl1
WS (~1.2516)
DIN ISO 8693
Flat ejector pin, with four corner radii
The hardened HASCO flat ejector pins Z4656/... with two or Z4655/... with four corner radii offer a wide range of practicable solutions for demoulding plastic articles from injection moulds.
The flat ejector pins are used in rib or bar areas that are critical in design terms.
The tolerance of the HASCO flat ejector pin is a key quality criterion here.
Special Features
- Tight dimensional and shape tolerance
- Ready to install with no adjustments needed
- Improved mould function
- No flash formation
- Z4656/... specially for use with divided inserts
- All sizes available from stock
| r1 | k1 | l2 | d4 | d2 | d1 | b1 | s1 | l1 | Product |
| 0,3 | 3 | 40 | 3 | 6 | 3 | 2,8 | 0,5 | 80 | Z4655/2,8x0,5x80 |
| 50 | 100 | Z4655/2,8x0,5x100 | |||||||
| 60 | 125 | Z4655/2,8x0,5x125 | |||||||
| 80 | 160 | Z4655/2,8x0,5x160 | |||||||
| 40 | 0,6 | 80 | Z4655/2,8x0,6x80 | ||||||
| 50 | 100 | Z4655/2,8x0,6x100 | |||||||
| 60 | 125 | Z4655/2,8x0,6x125 | |||||||
| 80 | 160 | Z4655/2,8x0,6x160 | |||||||
| 40 | 0,8 | 80 | Z4655/2,8x0,8x80 | ||||||
| 50 | 100 | Z4655/2,8x0,8x100 | |||||||
| 60 | 125 | Z4655/2,8x0,8x125 | |||||||
| 80 | 160 | Z4655/2,8x0,8x160 | |||||||
| 100 | 200 | Z4655/2,8x0,8x200 | |||||||
| 50 | 1 | 100 | Z4655/2,8x1x100 | ||||||
| 60 | 125 | Z4655/2,8x1x125 | |||||||
| 80 | 160 | Z4655/2,8x1x160 | |||||||
| 100 | 200 | Z4655/2,8x1x200 | |||||||
| 40 | 4,2 | 8 | 4,2 | 3,8 | 0,5 | 80 | Z4655/3,8x0,5x80 | ||
| 50 | 100 | Z4655/3,8x0,5x100 | |||||||
| 60 | 125 | Z4655/3,8x0,5x125 | |||||||
| 80 | 160 | Z4655/3,8x0,5x160 | |||||||
| 40 | 0,6 | 80 | Z4655/3,8x0,6x80 | ||||||
| 50 | 100 | Z4655/3,8x0,6x100 | |||||||
| 60 | 125 | Z4655/3,8x0,6x125 | |||||||
| 80 | 160 | Z4655/3,8x0,6x160 | |||||||
| 100 | 200 | Z4655/3,8x0,6x200 | |||||||
| 30 | 0,8 | 63 | Z4655/3,8x0,8x63 | ||||||
| 40 | 80 | Z4655/3,8x0,8x80 | |||||||
| 50 | 100 | Z4655/3,8x0,8x100 | |||||||
| 60 | 125 | Z4655/3,8x0,8x125 | |||||||
| 80 | 160 | Z4655/3,8x0,8x160 | |||||||
| 100 | 200 | Z4655/3,8x0,8x200 | |||||||
| 125 | 250 | Z4655/3,8x0,8x250 | |||||||
| 30 | 1 | 63 | Z4655/3,8x1x63 | ||||||
| 40 | 80 | Z4655/3,8x1x80 | |||||||
| 50 | 100 | Z4655/3,8x1x100 | |||||||
| 60 | 125 | Z4655/3,8x1x125 | |||||||
| 80 | 160 | Z4655/3,8x1x160 | |||||||
| 100 | 200 | Z4655/3,8x1x200 | |||||||
| 125 | 250 | Z4655/3,8x1x250 | |||||||
| 160 | 315 | Z4655/3,8x1x315 | |||||||
| 40 | 1,2 | 80 | Z4655/3,8x1,2x80 | ||||||
| 50 | 100 | Z4655/3,8x1,2x100 | |||||||
| 60 | 125 | Z4655/3,8x1,2x125 | |||||||
| 80 | 160 | Z4655/3,8x1,2x160 | |||||||
| 100 | 200 | Z4655/3,8x1,2x200 | |||||||
| 125 | 250 | Z4655/3,8x1,2x250 | |||||||
| 160 | 315 | Z4655/3,8x1,2x315 | |||||||
| 40 | 5 | 10 | 5 | 4,5 | 1 | 80 | Z4655/4,5x1x80 | ||
| 50 | 100 | Z4655/4,5x1x100 | |||||||
| 60 | 125 | Z4655/4,5x1x125 | |||||||
| 80 | 160 | Z4655/4,5x1x160 | |||||||
| 100 | 200 | Z4655/4,5x1x200 | |||||||
| 125 | 250 | Z4655/4,5x1x250 | |||||||
| 160 | 315 | Z4655/4,5x1x315 | |||||||
| 40 | 1,2 | 80 | Z4655/4,5x1,2x80 | ||||||
| 50 | 100 | Z4655/4,5x1,2x100 | |||||||
| 60 | 125 | Z4655/4,5x1,2x125 | |||||||
| 80 | 160 | Z4655/4,5x1,2x160 | |||||||
| 100 | 200 | Z4655/4,5x1,2x200 | |||||||
| 125 | 250 | Z4655/4,5x1,2x250 | |||||||
| 160 | 315 | Z4655/4,5x1,2x315 | |||||||
| 40 | 1,5 | 80 | Z4655/4,5x1,5x80 | ||||||
| 50 | 100 | Z4655/4,5x1,5x100 | |||||||
| 60 | 125 | Z4655/4,5x1,5x125 | |||||||
| 80 | 160 | Z4655/4,5x1,5x160 | |||||||
| 100 | 200 | Z4655/4,5x1,5x200 | |||||||
| 125 | 250 | Z4655/4,5x1,5x250 | |||||||
| 160 | 315 | Z4655/4,5x1,5x315 | |||||||
| 0,5 | 5 | 40 | 6 | 12 | 6 | 5,5 | 1 | 80 | Z4655/5,5x1x80 |
| 50 | 100 | Z4655/5,5x1x100 | |||||||
| 60 | 125 | Z4655/5,5x1x125 | |||||||
| 80 | 160 | Z4655/5,5x1x160 | |||||||
| 100 | 200 | Z4655/5,5x1x200 | |||||||
| 125 | 250 | Z4655/5,5x1x250 | |||||||
| 160 | 315 | Z4655/5,5x1x315 | |||||||
| 40 | 1,2 | 80 | Z4655/5,5x1,2x80 | ||||||
| 50 | 100 | Z4655/5,5x1,2x100 | |||||||
| 60 | 125 | Z4655/5,5x1,2x125 | |||||||
| 80 | 160 | Z4655/5,5x1,2x160 | |||||||
| 100 | 200 | Z4655/5,5x1,2x200 | |||||||
| 125 | 250 | Z4655/5,5x1,2x250 | |||||||
| 160 | 315 | Z4655/5,5x1,2x315 | |||||||
| 50 | 1,5 | 100 | Z4655/5,5x1,5x100 | ||||||
| 60 | 125 | Z4655/5,5x1,5x125 | |||||||
| 80 | 160 | Z4655/5,5x1,5x160 | |||||||
| 100 | 200 | Z4655/5,5x1,5x200 | |||||||
| 125 | 250 | Z4655/5,5x1,5x250 | |||||||
| 160 | 315 | Z4655/5,5x1,5x315 | |||||||
| 50 | 2 | 100 | Z4655/5,5x2x100 | ||||||
| 60 | 125 | Z4655/5,5x2x125 | |||||||
| 80 | 160 | Z4655/5,5x2x160 | |||||||
| 100 | 200 | Z4655/5,5x2x200 | |||||||
| 125 | 250 | Z4655/5,5x2x250 | |||||||
| 160 | 315 | Z4655/5,5x2x315 | |||||||
| 50 | 8 | 14 | 8 | 7,5 | 1,2 | 100 | Z4655/7,5x1,2x100 | ||
| 60 | 125 | Z4655/7,5x1,2x125 | |||||||
| 80 | 160 | Z4655/7,5x1,2x160 | |||||||
| 100 | 200 | Z4655/7,5x1,2x200 | |||||||
| 125 | 250 | Z4655/7,5x1,2x250 | |||||||
| 160 | 315 | Z4655/7,5x1,2x315 | |||||||
| 60 | 1,5 | 125 | Z4655/7,5x1,5x125 | ||||||
| 80 | 160 | Z4655/7,5x1,5x160 | |||||||
| 100 | 200 | Z4655/7,5x1,5x200 | |||||||
| 125 | 250 | Z4655/7,5x1,5x250 | |||||||
| 160 | 315 | Z4655/7,5x1,5x315 | |||||||
| 80 | 2 | 160 | Z4655/7,5x2x160 | ||||||
| 100 | 200 | Z4655/7,5x2x200 | |||||||
| 125 | 250 | Z4655/7,5x2x250 | |||||||
| 160 | 315 | Z4655/7,5x2x315 | |||||||
| 80 | 10 | 16 | 10 | 9,5 | 1,5 | 160 | Z4655/9,5x1,5x160 | ||
| 100 | 200 | Z4655/9,5x1,5x200 | |||||||
| 125 | 250 | Z4655/9,5x1,5x250 | |||||||
| 160 | 315 | Z4655/9,5x1,5x315 | |||||||
| 100 | 2 | 200 | Z4655/9,5x2x200 | ||||||
| 125 | 250 | Z4655/9,5x2x250 | |||||||
| 160 | 315 | Z4655/9,5x2x315 | |||||||
| 0,8 | 7 | 100 | 12 | 18 | 12 | 11,5 | 200 | Z4655/11,5x2x200 | |
| 125 | 250 | Z4655/11,5x2x250 | |||||||
| 160 | 315 | Z4655/11,5x2x315 | |||||||
| 100 | 2,5 | 200 | Z4655/11,5x2,5x200 | ||||||
| 125 | 250 | Z4655/11,5x2,5x250 | |||||||
| 160 | 315 | Z4655/11,5x2,5x315 |
