Mold Parts
Ball cage, with circlip


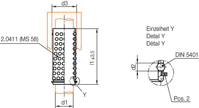
| Pos2 | d3 | d2 | d1 | l1 | Product |
|---|---|---|---|---|---|
| Z67/14x1 | 15 | 2 | 11 | 40 |
Z1201/11x40
|
| Z67/14x1 | 15 | 2 | 11 | 56 |
Z1201/11x56
|
