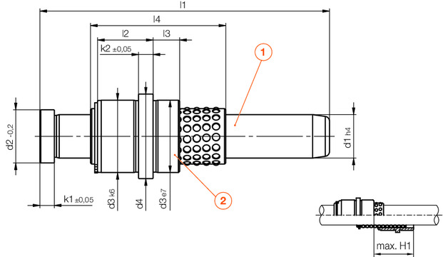
Mold Parts
Ball guiding unit, with collar


| Pos2 | Pos1 | k2 | k1 | l4 | l3 | l2 | d4 | d3 | d2 | d1 | l1 | max.H1 | Product |
|---|---|---|---|---|---|---|---|---|---|---|---|---|---|
| Z12/12x40 | Z012/12x80 | 6 | 4 | 40 | 6 | 18 | 26 | 22 | 16 | 12 | 80 | 50 |
Z0122/12x80x50
|
| Z12/12x40 | Z012/12x100 | 6 | 4 | 40 | 6 | 18 | 26 | 22 | 16 | 12 | 100 | 50 |
Z0122/12x100x50
|
| Z12/12x56 | Z012/12x100 | 6 | 4 | 56 | 6 | 18 | 26 | 22 | 16 | 12 | 100 | 82 |
Z0122/12x100x82
|
| Z12/12x40 | Z012/12x120 | 6 | 4 | 40 | 6 | 18 | 26 | 22 | 16 | 12 | 120 | 50 |
Z0122/12x120x50
|
| Z12/12x56 | Z012/12x120 | 6 | 4 | 56 | 6 | 18 | 26 | 22 | 16 | 12 | 120 | 82 |
Z0122/12x120x82
|
