Mold Parts
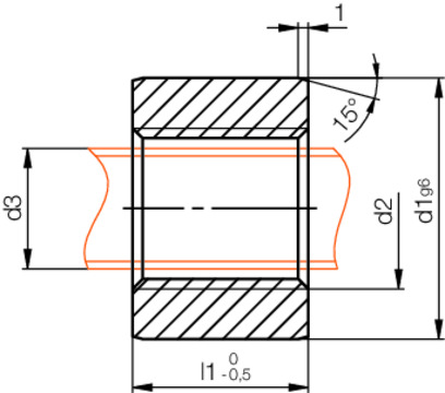
Centering sleeve


| d3 | d2 | d1 | l1 | Product |
|---|---|---|---|---|
| M4 | M6 | 10 | 9 |
Z21/10x9
|
| M6 | M8 | 12 | 10 |
Z21/12x10
|
| M8 | M10 | 14 | 11,5 |
Z21/14x11,5
|
| M10 | M12 | 16 | 13,5 |
Z21/16x13,5
|
| M12 | M16 | 20 | 15,5 |
Z21/20x15,5
|
| M14 | M16 | 26 | 17,5 |
Z21/26x17,5
|
| M16 | M20 | 30 | 19,5 |
Z21/30x19,5
|
| M20 | M24 | 36 | 19,5 |
Z21/36x19,5
|
| M24 | M30 | 42 | 19,5 |
Z21/42x19,5
|
| M30 | M36 | 54 | 19,5 |
Z21/54x19,5
|
The new HASCO Z21/... centering sleeve allows the easy centering of different plates against each another. The positioning above the screw connection saves space and thus offers greater flexibility in mould design. The integrated pull-out thread significantly simplifies dismantling.
- Special Features Pull-out thread for easy dismantling
- Space-saving assembly in the build-up screw connection
- 15° lead-in chamfer for simplified mounting
- Versatile in use
- Maximum service temperature 200°C
