Components & Accessories
COMPONENTE PAD 103C
Componente Pad is like pillar for supporting between PCB and iron plate.
COMPONENTE PAD 103C
FEATURES
SPECIFICATION
FEATURES
- Joint Circuit board with Chassis or other board.
- Provides distance, space and support between Circuit board and chassis.
- Suit for most types of boards.
- Can be used as washer to pad the components on the board.
SPECIFICATION
- MATERIAL: CERAMICS
- COLOR: NATURAL
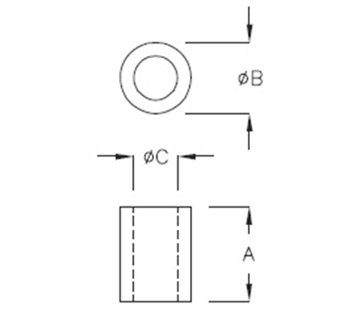
| PART NO | A | B | C | PACKAGE |
|---|---|---|---|---|
|
103C
|
3.0
|
4.5
|
1.8
|
2000
|
|
103DC
|
3.1
|
2.5
|
1.1
|
|
|
104C
|
4.5
|
4.5
|
1.8
|
|
|
104DC
|
4.5
|
3.8
|
1.0
|
|
|
104MC
|
4.5
|
3.6
|
1.2
|
|
|
105AC
|
4.9
|
9.0
|
4.2
|
|
|
109AC
|
8.9
|
3.2
|
1.5
|
|
|
109C
|
9.0
|
4.5
|
1.8
|
|
|
109DC
|
9.0
|
3.8
|
1.0
|
|
|
115MC
|
15.4
|
4.1
|
1.9
|
