Mold Parts
Compression spring, strong


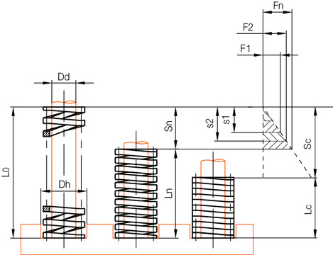
| R | F2 | S2 | F1 | S1 | Fn | Sn | Sc | Ln | Lc | Dd | Dh | L0 | Product |
|---|---|---|---|---|---|---|---|---|---|---|---|---|---|
| 22,1 | 132,6 | 6 | 99,45 | 4,5 | 165,75 | 7,5 | 9,2 | 17,5 | 15,8 | 5 | 10 | 25 |
Z612/10x25
|
| 17,5 | 134,4 | 7,68 | 100,8 | 5,76 | 168 | 9,6 | 12,1 | 22,4 | 19,9 | 5 | 10 | 32 |
Z612/10x32
|
| 17,1 | 155,952 | 9,12 | 116,964 | 6,84 | 194,94 | 11,4 | 13,2 | 26,6 | 24,8 | 5 | 10 | 38 |
Z612/10x38
|
| 15 | 158,4 | 10,56 | 118,8 | 7,92 | 198 | 13,2 | 15,1 | 30,8 | 28,9 | 5 | 10 | 44 |
Z612/10x44
|
| 12,8 | 156,672 | 12,24 | 117,504 | 9,18 | 195,84 | 15,3 | 19,5 | 35,7 | 31,5 | 5 | 10 | 51 |
Z612/10x51
|
| 10,7 | 164,352 | 15,36 | 123,264 | 11,52 | 205,44 | 19,2 | 21,8 | 44,8 | 42,2 | 5 | 10 | 64 |
Z612/10x64
|
| 7,5 | 136,8 | 18,24 | 102,6 | 13,68 | 171 | 22,8 | 27,9 | 53,2 | 48,1 | 5 | 10 | 76 |
Z612/10x76
|
| 2,1 | 153,72 | 73,2 | 115,29 | 54,9 | 192,15 | 91,5 | 127 | 213,5 | 178 | 5 | 10 | 305 |
Z612/10x305
|
