Mold Parts
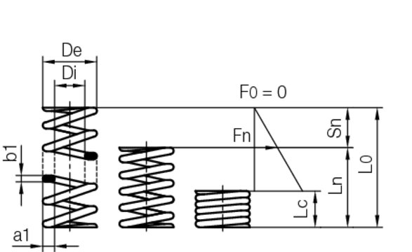
Compression spring, with elongated cross section
- Hasco Z65/DixL0
- spring steel
Compression spring, with elongated cross section


| Fn | Sn | Ln | Lc | a1 | b1 | De | Di | L0 | Product |
|---|---|---|---|---|---|---|---|---|---|
| 196 | 10 | 10 | 9,5 | 2 | 1,25 | 11 | 7 | 20 |
Z65/7x20
|
| 147 | 30 | 20 | 18 | 2 | 1,25 | 13 | 9 | 50 |
Z65/9x50
|
| 1180 | 19 | 35 | 32 | 6 | 3 | 25 | 13 | 54 |
Z65/13x54
|
| 1180 | 27 | 50 | 44 | 6 | 3 | 25 | 13 | 77 |
Z65/13x77
|
| 2450 | 24 | 45 | 43 | 7,5 | 4 | 32 | 17 | 69 |
Z65/17x69
|
| 2940 | 22 | 45 | 44 | 8,5 | 5 | 38 | 21 | 67 |
Z65/21x67
|
| 3430 | 19 | 72 | 59 | 11 | 6 | 50 | 28 | 100 |
Z65/28x100
|
