Mold Parts
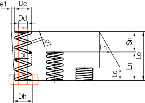
Compression spring, with round cross section


| e1 | Fn | Sn | Ln | Lc | Dh | De | Dd | d1 | Di | L0 | Product |
|---|---|---|---|---|---|---|---|---|---|---|---|
| 0,44 | 10,8 | 2,2 | 6,5 | 5,25 | 3,4 | 3 | 1,6 | 0,5 | 2 | 8,7 |
Z60/2x8,7
|
| 0,55 | 38,5 | 3,5 | 7,5 | 6,6 | 3,8 | 3,26 | 1,5 | 0,63 | 2 | 11 |
Z60/2x11
|
| 0,78 | 38,5 | 5,2 | 10,3 | 9,15 | 3,8 | 3,26 | 1,5 | 0,63 | 2 | 15,5 |
Z60/2x15,5
|
| 0,88 | 28,5 | 4,7 | 12,8 | 10,25 | 3,8 | 3,26 | 1,5 | 0,63 | 2 | 17,5 |
Z60/2x17,5
|
