Mold Parts
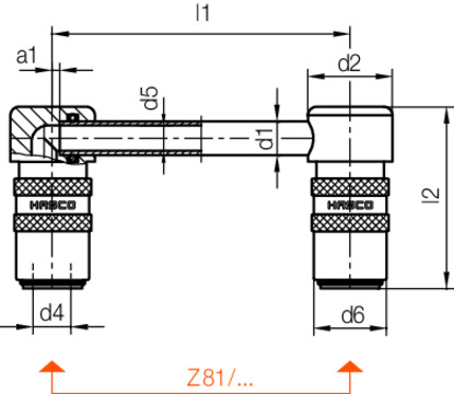
Diverting coupling unit, Stainless Steel, open flow
- Hasco Z8051/d4xl1/Mat
- 1.4305
- max. 25 bar
Diverting coupling unit, Stainless Steel, open flow


| p | l2 | d6 | d5 | d2 | d1 | d4 | l1 | Mat | Product |
|---|---|---|---|---|---|---|---|---|---|
| 25 | 43 | 17,2 | 6 | 20 | 8 | 9 | 125 | VA |
Z8051/9x125/VA
|
| 25 | 53 | 22,5 | 8 | 26 | 10 | 13 | 125 | VA |
Z8051/13x125/VA
|
