Mold Parts
Diverting coupling unit, with valve


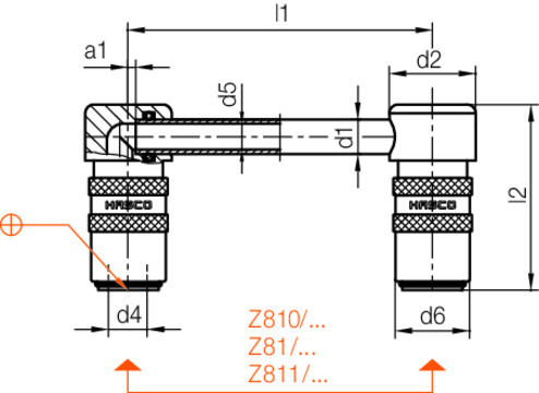
| p | a1 | l2 | d5 | d2 | d1 | d4 | l1 | Product |
|---|---|---|---|---|---|---|---|---|
| 25 | 2 | 43 | 6 | 20 | 8 | 9 | 125 |
Z805/9x125
|
| 25 | 2 | 43 | 6 | 20 | 8 | 9 | 250 |
Z805/9x250
|
| 25 | 2 | 43 | 6 | 20 | 8 | 9 | 500 |
Z805/9x500
|
| 25 | 2 | 53 | 8 | 26 | 10 | 13 | 125 |
Z805/13x125
|
| 25 | 2 | 53 | 8 | 26 | 10 | 13 | 250 |
Z805/13x250
|
| 25 | 2 | 53 | 8 | 26 | 10 | 13 | 500 |
Z805/13x500
|
| 25 | 3 | 80 | 12 | 36 | 14 | 19 | 500 |
Z805/19x500
|
