Mold Parts
Flat guide unit


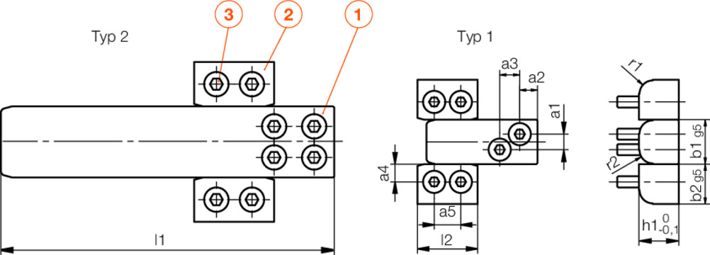
| n3 | Pos3 | n2 | Pos2 | n1 | Pos1 | Typ | r2 | r1 | a5 | a4 | a3 | a2 | a1 | l2 | b2 |
|---|---|---|---|---|---|---|---|---|---|---|---|---|---|---|---|
| 6 | Z31/5x20 | 2 | Z19/18x18x27 | 1 | Z18/20x18x50 | 1 | 6 | 6 | 12 | 8 | 9 | 8 | 7 | 27 | 18 |
| 6 | Z31/5x20 | 2 | Z19/18x18x27 | 1 | Z18/20x18x75 | 1 | 6 | 6 | 12 | 8 | 9 | 8 | 7 | 27 | 18 |
| 6 | Z31/5x20 | 2 | Z19/18x18x27 | 1 | Z18/20x18x90 | 1 | 6 | 6 | 12 | 8 | 9 | 8 | 7 | 27 | 18 |
