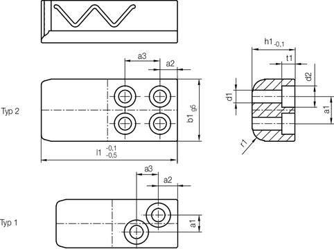
Mold Parts
Guide block


| Typ | r1 | t1 | a3 | a2 | a1 | d2 | d1 | b1 | h1 | l1 | Product |
|---|---|---|---|---|---|---|---|---|---|---|---|
| 1 | 6 | 5,7 | 9 | 8 | 7 | 10 | 5,5 | 20 | 18 | 50 |
Z18/20x18x50
|
| 1 | 6 | 5,7 | 9 | 8 | 7 | 10 | 5,5 | 20 | 18 | 75 |
Z18/20x18x75
|
| 1 | 6 | 5,7 | 9 | 8 | 7 | 10 | 5,5 | 20 | 18 | 90 |
Z18/20x18x90
|
