Mold Parts

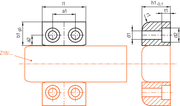
Guide jaw
| r1 | t1 | a2 | a1 | d2 | d1 | b1 | h1 | l1 | Product |
|---|---|---|---|---|---|---|---|---|---|
| 6 | 5,7 | 8 | 12 | 10 | 5,5 | 18 | 18 | 27 |
Z19/18x18x27
|
| 6 | 6,8 | 10 | 16 | 11 | 6,6 | 20 | 22 | 36 |
Z19/20x22x36
|
| 8 | 9 | 11 | 24 | 15 | 9 | 25 | 30 | 46 |
Z19/25x30x46
|
| 10 | 11 | 16 | 30 | 18 | 11 | 32 | 32 | 56 |
Z19/32x32x56
|
| 12 | 11 | 16 | 30 | 18 | 11 | 35 | 35 | 56 |
Z19/35x35x56
|
| 15 | 13 | 17 | 40 | 20 | 13,5 | 40 | 50 | 76 |
Z19/40x50x76
|
| 15 | 13 | 20 | 50 | 20 | 13,5 | 45 | 65 | 86 |
Z19/45x65x86
|
