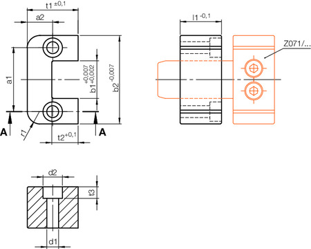
Mold Parts

Guide retainer, DLC
| r1 | t3 | t2 | t1 | a2 | a1 | b2 | d2 | d1 | b1 | l1 | Typ | Product |
|---|---|---|---|---|---|---|---|---|---|---|---|---|
| 6 | 6,8 | 14 | 27 | 13,5 | 34 | 47 | 11 | 6,6 | 20 | 22 | 2 |
Z072/20x22/2
|
| 8 | 6,8 | 15 | 30 | 15 | 39 | 52 | 11 | 6,6 | 25 | 27 | 2 |
Z072/25x27/2
|
| 8 | 9 | 20 | 40 | 20 | 49 | 67 | 15 | 9 | 32 | 36 | 2 |
Z072/32x36/2
|
| 10 | 11 | 23 | 50 | 23 | 63 | 88 | 18 | 11 | 40 | 46 | 2 |
Z072/40x46/2
|
| 10 | 13 | 25 | 55 | 27,5 | 75 | 100 | 20 | 14 | 50 | 56 | 2 |
Z072/50x56/2
|
The HASCO square guide bar Z 071/... combined with the guide retainer Z 072 /... sets new standards in precision. It guides and centres injection and pressure moulding tools reliably with minimal tolerances.The square guide bar and guide retainer are available with and without coatings.
- Easy maintenance thanks to simple assembly on the parting plane
- Processing on the parting plane
- High precision surface guidance
- Type 2 with DLC coating for optimum slide properties and maximum corrosion resistance. Ideal for use with foodstuff and medicinal products.
