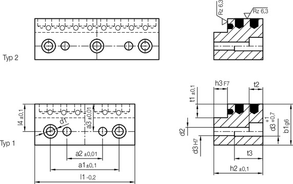
Mold Parts
Guide strip, self lubricating


| Typ | h3 | h2 | t3 | t2 | t1 | a3 | a2 | a1 | d3 | d2 | d1 | b1 | h1 | l1 | Product |
|---|---|---|---|---|---|---|---|---|---|---|---|---|---|---|---|
| 1 | 4 | 11 | 0 | 5,7 | 5 | 9,5 | 14 | 34 | 5 | 5,5 | 10 | 16 | 12 | 50 |
Z185W/16x12x50
|
