Mold Parts
HASCO Ejector Sleeve
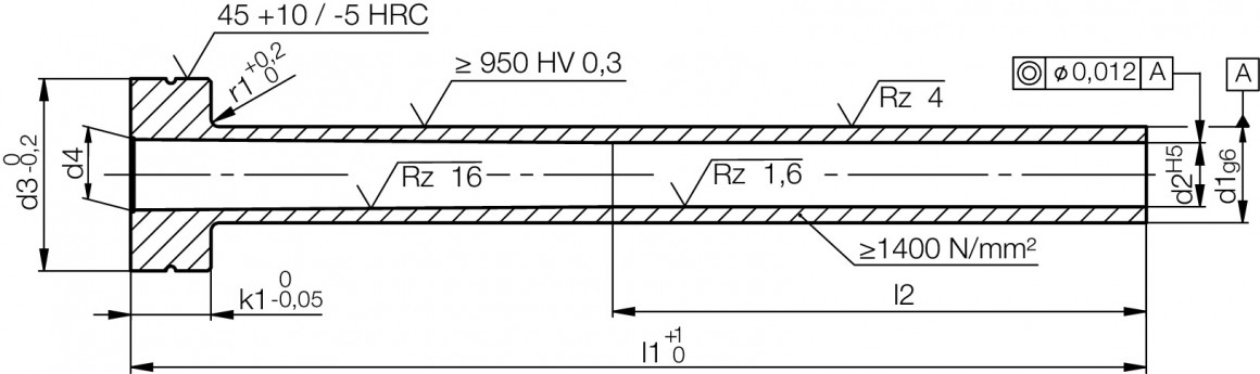
Z458/d1xd2xl1
WAS (~ 1.2343)
DIN ISO 8405
Ejector sleeve, stepless, hardened, and nitrided
Z458/d1xd2xl1
WAS (~ 1.2343)
DIN ISO 8405
Ejector sleeve, stepless, hardened, and nitrided
The HASCO ejector sleeves Z458/... are excellent demoulding aids which allow the reliable and functional demoulding of complicated components.
The ejector sleeves have a stepless transition area to the guide bore, reliably preventing damage to the ejector pins during longer strokes.
Special Features
- Stepless transition area to the guide hole
- Simplified installation of ejector pins
- Enables longer ejector strokes
- Increased production reliability
- Prevents damage and breakage of ejector pins
- Hardened and nitrided
- Improved corrosion protection and friction coefficient through the nitrided layer
| r1 | k1 | l2 | d4 | d3 | d1 | d2 | l1 | Product |
| 0,3 | 3 | 35 | 2,5 | 8 | 4 | 2 | 75 | Z458/4x2x75 |
| 100 | Z458/4x2x100 | |||||||
| 125 | Z458/4x2x125 | |||||||
| 150 | Z458/4x2x150 | |||||||
| 175 | Z458/4x2x175 | |||||||
| 2,8 | 2,5 | 100 | Z458/4x2,5x100 | |||||
| 125 | Z458/4x2,5x125 | |||||||
| 150 | Z458/4x2,5x150 | |||||||
| 175 | Z458/4x2,5x175 | |||||||
| 200 | Z458/4x2,5x200 | |||||||
| 45 | 3,5 | 10 | 5 | 3 | 75 | Z458/5x3x75 | ||
| 100 | Z458/5x3x100 | |||||||
| 125 | Z458/5x3x125 | |||||||
| 150 | Z458/5x3x150 | |||||||
| 175 | Z458/5x3x175 | |||||||
| 200 | Z458/5x3x200 | |||||||
| 3,8 | 3,5 | 75 | Z458/5x3,5x75 | |||||
| 100 | Z458/5x3,5x100 | |||||||
| 125 | Z458/5x3,5x125 | |||||||
| 150 | Z458/5x3,5x150 | |||||||
| 175 | Z458/5x3,5x175 | |||||||
| 200 | Z458/5x3,5x200 | |||||||
| 0,5 | 5 | 4,5 | 12 | 6 | 4 | 75 | Z458/6x4x75 | |
| 100 | Z458/6x4x100 | |||||||
| 125 | Z458/6x4x125 | |||||||
| 150 | Z458/6x4x150 | |||||||
| 175 | Z458/6x4x175 | |||||||
| 200 | Z458/6x4x200 | |||||||
| 225 | Z458/6x4x225 | |||||||
| 250 | Z458/6x4x250 | |||||||
| 4,9 | 4,5 | 75 | Z458/6x4,5x75 | |||||
| 100 | Z458/6x4,5x100 | |||||||
| 125 | Z458/6x4,5x125 | |||||||
| 150 | Z458/6x4,5x150 | |||||||
| 175 | Z458/6x4,5x175 | |||||||
| 200 | Z458/6x4,5x200 | |||||||
| 225 | Z458/6x4,5x225 | |||||||
| 250 | Z458/6x4,5x250 | |||||||
| 50 | 5,3 | 7 | 5 | 100 | Z458/7x5x100 | |||
| 125 | Z458/7x5x125 | |||||||
| 150 | Z458/7x5x150 | |||||||
| 175 | Z458/7x5x175 | |||||||
| 200 | Z458/7x5x200 | |||||||
| 225 | Z458/7x5x225 | |||||||
| 250 | Z458/7x5x250 | |||||||
| 5,8 | 14 | 8 | 5,5 | 100 | Z458/8x5,5x100 | |||
| 125 | Z458/8x5,5x125 | |||||||
| 150 | Z458/8x5,5x150 | |||||||
| 200 | Z458/8x5,5x200 | |||||||
| 6,5 | 9 | 6 | 100 | Z458/9x6x100 | ||||
| 125 | Z458/9x6x125 | |||||||
| 150 | Z458/9x6x150 | |||||||
| 175 | Z458/9x6x175 | |||||||
| 200 | Z458/9x6x200 | |||||||
| 225 | Z458/9x6x225 | |||||||
| 0,8 | 7 | 8,5 | 20 | 12 | 8 | 100 | Z458/12x8x100 | |
| 125 | Z458/12x8x125 | |||||||
| 150 | Z458/12x8x150 | |||||||
| 175 | Z458/12x8x175 | |||||||
| 200 | Z458/12x8x200 | |||||||
| 10,5 | 22 | 14 | 10 | 100 | Z458/14x10x100 | |||
| 125 | Z458/14x10x125 | |||||||
| 150 | Z458/14x10x150 | |||||||
| 175 | Z458/14x10x175 | |||||||
| 200 | Z458/14x10x200 |
