Mold Parts
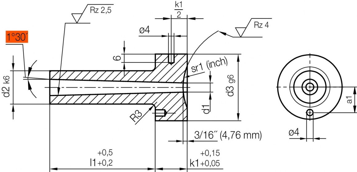
HASCO Sprue Bushing
Z51/d2xl1xd1xsr1
~53 HRC
1.2826
DIN ISO 10072 (DIN 16752)
Sprue bushing, calotte radius Inch
The HASCO-Sprue bushings in connection with sprue puller Z 53 /... are used for economic indirect gating in injection- and compression moulds for the processing of thermoplastics- and thermoset materials.
HASCO Sprue Bushing
Z51/d2xl1xd1xsr1
~53 HRC
1.2826
DIN ISO 10072 (DIN 16752)
Sprue bushing, calotte radius metric
Z51/d2xl1xd1xsr1
~53 HRC
1.2826
DIN ISO 10072 (DIN 16752)
Sprue bushing, calotte radius Inch
The HASCO-Sprue bushings in connection with sprue puller Z 53 /... are used for economic indirect gating in injection- and compression moulds for the processing of thermoplastics- and thermoset materials.
Special Features
- Provides for simple solutions for gating on subrunner.
- Bushings are available with or without radius to suit machine nozzle.
- Ready-to-install, hardened and ground. Available with taper 0,5°; 1° and 1°30’
| k1 | a1 | d3 | d2 | l1 | d1 | sr1 | Product |
| 18 | 15 | 38 | 18 | 76 | 4,5 | 1/2 | Z51/18x76x4,5x1/2 |
| 23 | 20 | 48 | 24 | Z51/24x76x4,5x1/2 |
HASCO Sprue Bushing
Z51/d2xl1xd1xsr1
~53 HRC
1.2826
DIN ISO 10072 (DIN 16752)
Sprue bushing, calotte radius metric
The HASCO-Sprue bushings in connection with sprue puller Z 53 /... are used for economic indirect gating in injection- and compression moulds for the processing of thermoplastics and thermoset materials.
Special Features
- Provides for simple solutions for gating on subrunner
- Bushings are available with or without radius to suit machine nozzle
- Ready-to-install, hardened and ground. Available with taper 0,5°; 1° and 1°30’.
| k1 | a1 | d3 | d2 | l1 | d1 | sr1 | Product |
| 13 | 11 | 28 | 12 | 27 | 3,5 | 15,5 | Z51/12x27x3,5x15,5 |
| Z51/12x27x3,5x40 | |||||||
| 4,5 | 15,5 | Z51/12x27x4,5x15,5 | |||||
| Z51/12x27x4,5x40 | |||||||
| 36 | 3,5 | 15,5 | Z51/12x36x3,5x15,5 | ||||
| Z51/12x36x3,5x40 | |||||||
| 4,5 | 15,5 | Z51/12x36x4,5x15,5 | |||||
| Z51/12x36x4,5x40 | |||||||
| 46 | 3,5 | 15,5 | Z51/12x46x3,5x15,5 | ||||
| Z51/12x46x3,5x40 | |||||||
| 4,5 | 15,5 | Z51/12x46x4,5x15,5 | |||||
| Z51/12x46x4,5x40 | |||||||
| 56 | 3,5 | 15,5 | Z51/12x56x3,5x15,5 | ||||
| Z51/12x56x3,5x40 | |||||||
| 4,5 | 15,5 | Z51/12x56x4,5x15,5 | |||||
| Z51/12x56x4,5x40 | |||||||
| 66 | 3,5 | 15,5 | Z51/12x66x3,5x15,5 | ||||
| Z51/12x66x3,5x40 | |||||||
| 4,5 | 15,5 | Z51/12x66x4,5x15,5 | |||||
| Z51/12x66x4,5x40 | |||||||
| 18 | 15 | 38 | 18 | 27 | 3,5 | 15,5 | Z51/18x27x3,5x15,5 |
| Z51/18x27x3,5x40 | |||||||
| 4,5 | 15,5 | Z51/18x27x4,5x15,5 | |||||
| Z51/18x27x4,5x40 | |||||||
| 36 | 3,5 | 15,5 | Z51/18x36x3,5x15,5 | ||||
| Z51/18x36x3,5x40 | |||||||
| 4,5 | 15,5 | Z51/18x36x4,5x15,5 | |||||
| Z51/18x36x4,5x40 | |||||||
| 46 | 3,5 | 15,5 | Z51/18x46x3,5x15,5 | ||||
| Z51/18x46x3,5x40 | |||||||
| 4,5 | 15,5 | Z51/18x46x4,5x15,5 | |||||
| Z51/18x46x4,5x40 | |||||||
| 56 | 3,5 | 15,5 | Z51/18x56x3,5x15,5 | ||||
| Z51/18x56x3,5x40 | |||||||
| 4,5 | 15,5 | Z51/18x56x4,5x15,5 | |||||
| Z51/18x56x4,5x40 | |||||||
| 76 | 3,5 | 15,5 | Z51/18x76x3,5x15,5 | ||||
| Z51/18x76x3,5x40 | |||||||
| 4,5 | 15,5 | Z51/18x76x4,5x15,5 | |||||
| Z51/18x76x4,5x40 | |||||||
| 96 | 3,5 | 15,5 | Z51/18x96x3,5x15,5 | ||||
| Z51/18x96x3,5x40 | |||||||
| 4,5 | 15,5 | Z51/18x96x4,5x15,5 | |||||
| Z51/18x96x4,5x40 | |||||||
| 23 | 20 | 48 | 24 | 46 | Z51/24x46x4,5x15,5 | ||
| Z51/24x46x4,5x40 | |||||||
| 56 | Z51/24x56x4,5x15,5 | ||||||
| Z51/24x56x4,5x40 | |||||||
| 6,5 | 15,5 | Z51/24x56x6,5x15,5 | |||||
| Z51/24x56x6,5x40 | |||||||
| 76 | 4,5 | 15,5 | Z51/24x76x4,5x15,5 | ||||
| Z51/24x76x4,5x40 | |||||||
| 6,5 | 15,5 | Z51/24x76x6,5x15,5 | |||||
| Z51/24x76x6,5x40 |
