Mold Parts
HASCO Sprue Bushing
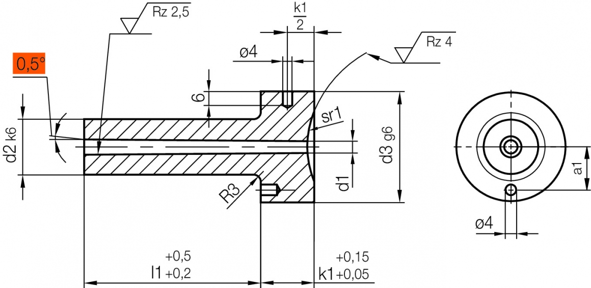
Z512/d2xl1xd1xsr1
55 HRC
1.2826
DIN ISO 10072 (DIN 16752)
Sprue bushing, calotte radius metric
The HASCO-Sprue bushings in connection with sprue puller Z53/... are used for economic indirect gating in injection- and compression moulds for the processing of thermoplasticsand thermoset materials.
Z512/d2xl1xd1xsr1
55 HRC
1.2826
DIN ISO 10072 (DIN 16752)
Sprue bushing, calotte radius metric
The HASCO-Sprue bushings in connection with sprue puller Z53/... are used for economic indirect gating in injection- and compression moulds for the processing of thermoplasticsand thermoset materials.
Special Features
- Provides for simple solutions for gating on subrunner
- Bushings are available with or with- out radius to suit machine nozzle
- Ready-to-install, hardened and ground. Available with taper 0,5°; 1° and 1°30’
| k1 | a1 | d3 | d2 | l1 | d1 | sr1 | Product |
| 13 | 11 | 28 | 12 | 27 | 2,5 | 15,5 | Z512/12x27x2,5x15,5 |
| 40 | Z512/12x27x2,5x40 | ||||||
| 36 | 15,5 | Z512/12x36x2,5x15,5 | |||||
| 40 | Z512/12x36x2,5x40 | ||||||
| 3,5 | 15,5 | Z512/12x36x3,5x15,5 | |||||
| 40 | Z512/12x36x3,5x40 | ||||||
| 46 | 2,5 | 15,5 | Z512/12x46x2,5x15,5 | ||||
| 40 | Z512/12x46x2,5x40 | ||||||
| 3,5 | 15,5 | Z512/12x46x3,5x15,5 | |||||
| 40 | Z512/12x46x3,5x40 | ||||||
| 56 | 2,5 | 15,5 | Z512/12x56x2,5x15,5 | ||||
| 40 | Z512/12x56x2,5x40 | ||||||
| 3,5 | 15,5 | Z512/12x56x3,5x15,5 | |||||
| 40 | Z512/12x56x3,5x40 | ||||||
| 66 | 15,5 | Z512/12x66x3,5x15,5 | |||||
| 40 | Z512/12x66x3,5x40 | ||||||
| 76 | 15,5 | Z512/12x76x3,5x15,5 | |||||
| 40 | Z512/12x76x3,5x40 | ||||||
| 18 | 15 | 38 | 18 | 46 | 3 | 15,5 | Z512/18x46x3x15,5 |
| 40 | Z512/18x46x3x40 | ||||||
| 56 | 15,5 | Z512/18x56x3x15,5 | |||||
| 40 | Z512/18x56x3x40 | ||||||
| 4 | 15,5 | Z512/18x56x4x15,5 | |||||
| 40 | Z512/18x56x4x40 | ||||||
| 66 | 3 | 15,5 | Z512/18x66x3x15,5 | ||||
| 40 | Z512/18x66x3x40 | ||||||
| 4 | 15,5 | Z512/18x66x4x15,5 | |||||
| 40 | Z512/18x66x4x40 | ||||||
| 76 | 3 | 15,5 | Z512/18x76x3x15,5 | ||||
| 40 | Z512/18x76x3x40 | ||||||
| 4 | 15,5 | Z512/18x76x4x15,5 | |||||
| 40 | Z512/18x76x4x40 | ||||||
| 86 | 3 | 15,5 | Z512/18x86x3x15,5 | ||||
| 40 | Z512/18x86x3x40 | ||||||
| 4 | 15,5 | Z512/18x86x4x15,5 | |||||
| 40 | Z512/18x86x4x40 | ||||||
| 96 | 3 | 15,5 | Z512/18x96x3x15,5 | ||||
| 40 | Z512/18x96x3x40 | ||||||
| 4 | 15,5 | Z512/18x96x4x15,5 | |||||
| 40 | Z512/18x96x4x40 | ||||||
| 15,5 | Z512/18x116x4x15,5 | ||||||
| 40 | Z512/18x116x4x40 |
