Mold Parts
HASCO Sprue Bushing
Z519/d2xl1xd1xd3
54 HRC
1.2363
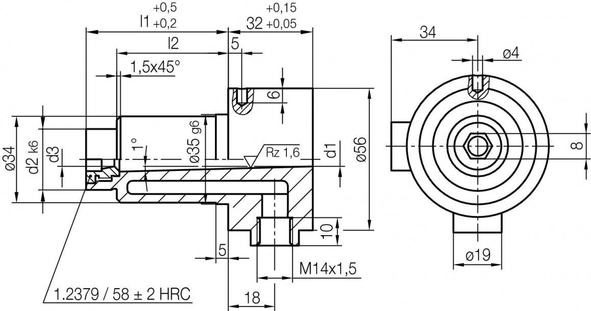
Thermoset - sprue bushing, integrated cooling
Z519/d2xl1xd1xd3
54 HRC
1.2363
Thermoset - sprue bushing, integrated cooling
| l2 | d2 | l1 | d1 | d3 | Product |
| 44 | 24 | 56 | 5,5 | 5 | Z519/24x56x5,5x5 |
| 64 | 76 | Z519/24x76x5,5x5 | |||
| 84 | 96 | 6 | Z519/24x96x5,5x6 | ||
| 104 | 116 | Z519/24x116x5,5x6 |
