Mold Parts
HASCO Sprue Bushing
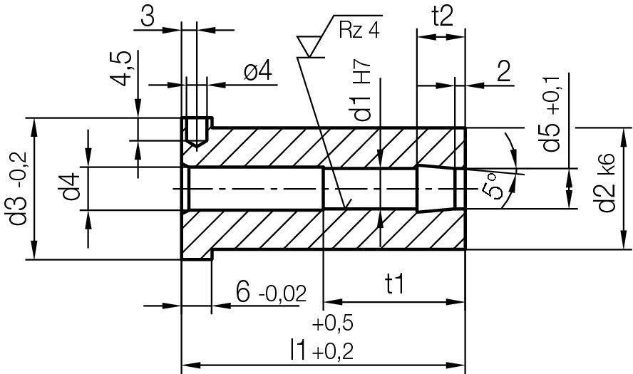
Z53/d2xl1
56 HRC
1.2826
~ DIN ISO 16915 (DIN 16757)
Sprue puller insert
Z53/d2xl1
56 HRC
1.2826
~ DIN ISO 16915 (DIN 16757)
Sprue puller insert
| t2 | t1 | d5 | d4 | d3 | d1 | d2 | l1 | Product |
| 7 | 18 | 4,2 | 4,5 | 16 | 4 | 12 | 22 | Z53/12x22 |
| 27 | Z53/12x27 | |||||||
| 36 | Z53/12x36 | |||||||
| 46 | Z53/12x46 | |||||||
| - | 6,2 | 6,5 | 22 | 6 | 18 | 22 | Z53/18x22 | |
| 27 | Z53/18x27 | |||||||
| 28 | 36 | Z53/18x36 | ||||||
| 46 | Z53/18x46 | |||||||
| 56 | Z53/18x56 | |||||||
| 66 | Z53/18x66 | |||||||
| 76 | Z53/18x76 | |||||||
| 9,5 | 8,2 | 8,5 | 28 | 8 | 24 | 36 | Z53/24x36 | |
| 46 | Z53/24x46 | |||||||
| 56 | Z53/24x56 | |||||||
| 66 | Z53/24x66 | |||||||
| 76 | Z53/24x76 | |||||||
| 86 | Z53/24x86 | |||||||
| 96 | Z53/24x96 |
