Mold Parts
HASCO Sprue Bushing
Z530/d2xl1xl2
56 HRC
~ 1.2826
Sprue puller insert, blank
Z530/d2xl1xl2
56 HRC
~ 1.2826
Sprue puller insert, blank
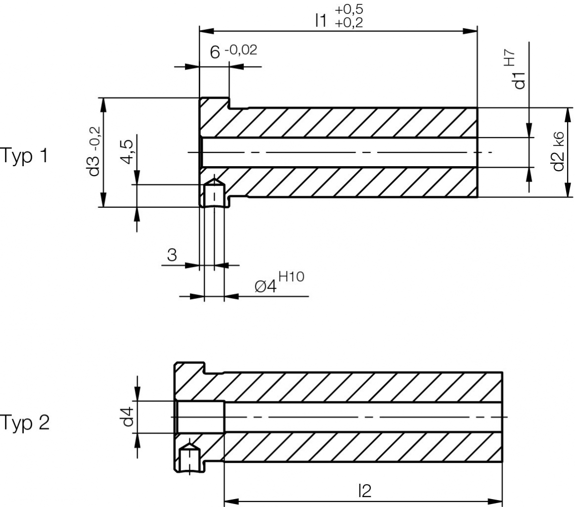
The modified sprue puller insert Z530/... permits the customised configuration of the puller shape and undercut.
Longer versions enable user-specific design and length requirements to be met.
Special Features
- Undercut freely configurable
- Can be cut as required
- With an anti-rotation lock
- Prepared ready-to-mount
- Easy to use with ejectors with a sprue puller claw
- Hardened to 56HRC, material 1.2826
- Longer guide spigot for use with gate inserts with a curved tunnel
| Typ | l3 | d4 | d3 | d1 | d2 | l1 | l2 | Product |
| 1 | 4 | - | 16 | 4 | 12 | 22 | 22 | Z530/12x22x22 |
| 27 | 27 | Z530/12x27x27 | ||||||
| 36 | 36 | Z530/12x36x36 | ||||||
| 46 | 46 | Z530/12x46x46 | ||||||
| 2 | 4,5 | 56 | Z530/12x56x46 | |||||
| 66 | Z530/12x66x46 | |||||||
| 1 | - | 22 | 6 | 18 | 22 | 22 | Z530/18x22x22 | |
| 27 | 27 | Z530/18x27x27 | ||||||
| 36 | 36 | Z530/18x36x36 | ||||||
| 46 | 46 | Z530/18x46x46 | ||||||
| 56 | 56 | Z530/18x56x56 | ||||||
| 2 | 6,5 | 66 | Z530/18x66x56 | |||||
| 76 | Z530/18x76x56 | |||||||
| 1 | - | 28 | 8 | 24 | 36 | 36 | Z530/24x36x36 | |
| 46 | 46 | Z530/24x46x46 | ||||||
| 56 | 56 | Z530/24x56x56 | ||||||
| 66 | 66 | Z530/24x66x66 | ||||||
| 2 | 8,5 | 76 | Z530/24x76x66 | |||||
| 86 | Z530/24x86x66 | |||||||
| 96 | Z530/24x96x66 |
