Components & Accessories
LED HOUSING EDZ-04
- It can snap the unit into the hole on panel to assemble.
- Save extra cost to develop new tool for rigid light pipe for each design.
LED HOUSING EDZ-04
FEATURES
SPECIFICATION
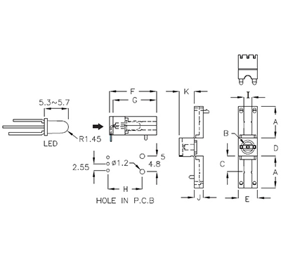
FOR Ø3 3 PIN LED LAMP
FEATURES
- It can snap the unit into the hole on panel to assemble.
- Save extra cost to develop new tool for rigid light pipe for each design.
SPECIFICATION
- MATERIAL: NYLON66 (UL)
- FLAME CLASS: 94V-2
- COLOR: BLACK

FOR Ø3 3 PIN LED LAMP
| PART NO | A | B | C | D | E | F | G | H | I | J | K | FIBER DIAMETER | PACKAGE |
| EDZ-04 | 12.3 | Ø4.1 | 6.0 | 7.0 | 7.5 | 18.2 | 16.9 | 13.5 | 3.0 | 3.6 | 5.8 | Ø3.0 | 500 |
