Mold Parts
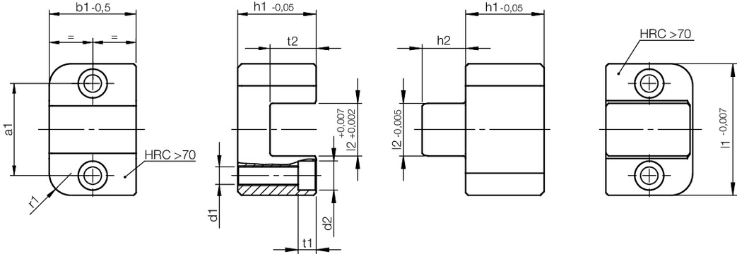
Locating unit, DLC, rectangular
| r1 | h2 | h1 | t2 | t1 | a1 | l2 | d2 | d1 | l1 | b1 | Typ | Product |
|---|---|---|---|---|---|---|---|---|---|---|---|---|
| 6 | 9 | 19,8 | 10 | 4,6 | 20 | 10 | 8 | M5 | 30 | 28 | 2 |
Z085/30x28/2
|
| 8 | 16,5 | 29,8 | 17,5 | 6,8 | 35 | 20 | 11 | M8 | 50 | 33 | 2 |
Z085/50x33/2
|
| 10 | 24 | 39,8 | 25 | 9 | 52 | 30 | 15 | M10 | 75 | 38 | 2 |
Z085/75x38/2
|
