Product Price Quantity Delete

    Components & Accessories

    Enclosed Switch OMRON ZC-W55

    Small, High-precision Enclosed Switch
    Features

    • Small, High-precision Enclosed Switches with Built-in Basic Switches for High Repeatability and Durability of 10 Million Operations Minimum.
    • Same mounting pitch as Z Basic Switch.
    • Requires less operating force than conventional limit switches.
    • Lineup includes modes with operation indicators for easy maintenance and inspection.
    • Approved by EN, UL, CSA, and CCC (Chinese standard). (Ask your OMRON representative for Information on approved models.)


    Model Number Structure
    332_lu_113-305070

    Specifications
    • Approved Standards

    Agency Standard File No.
    UL* UL508 E76675
    TÜV Rheinland EN60947-1, EN60947-5-1 J50041904
    CCC(CQC) GB/T14048.5 Contact your OMRON representative for details.

    Note: Ask your OMRON representative for information on approved models.
    * UL certified for CSA C22.2 No. 14.

    • Ratings

    Rated voltage Non-inductive load (A) Inductive load (A)
    Resistive load Lamp load Inductive load Motor load
    NC NO NC NO NC NO NC NO
    125 VAC
    250 VAC
    10
    10
    3
    2.5
    1.5
    1.25
    10
    10
    5
    3
    2.5
    1.5
    8 VDC
    14 VDC
    30 VDC
    125 VDC
    250 VDC
    10
    10
    6
    0.5
    0.25
    3
    3
    3
    0.4
    0.2
    1.5
    1.5
    1.5
    0.4
    0.2
    6
    6
    5
    0.05
    0.03
    5
    5
    5
    0.05
    0.03
    2.5
    2.5
    2.5
    0.05
    0.03

     

    Inrush current NC 30 A max.
    NO 15 A max.
    Note: 1. The above figures are for steady-state currents.
             2. Inductive loads have a power factor of 0.4 min. (AC) and a time constant of 7 ms max. (DC).
             3. Lamp load has an inrush current of 10 times the steady-state current.
             4. Motor load has an inrush current of 6 times the steady-state current.
             5. The above ratings were tested under the following conditions according.
                  (1) Ambient temperature:+20±2°C
                  (2) Ambient humidity: 65±5%RH
                  (3) Operating frequency:20 operations/min.

     

    • Approved Standard Ratings

    UL/CSA

    A300

    Voltage Carry current Current (A) Volt-amperes (VA)
    Make Break Make Break
    120 VAC
    240 VAC
    10A 60
    30
    6
    3
    7,200 720

     

    TÜV Rheinland (EN60947-1, EN60947-5-1), CCC (GB/T14048.5)

    Applicable category and ratings
    AC-12 10 A/250 VAC
    • Characteristics

    Degree of protections IP67
    Durability Mechanical 10,000,000 operations min.
    Electrical 500,000 operations min.
    Operating speed 0.05 mm/s to 0.5 m/s *1
    Operating
    frequency
    Mechanical 120 operations/min
    Electrical 20 operations/min
    Insulation resistance 100 MΩ min. (at 500 VDC)
    Contact resistance 15 mΩ max. (initial value for the builtin switch when tested alone)
    Dielectric
    strength
    Between non-continuous terminals 1,000 VAC, 50/60 Hz for 1 min
    Between each terminal and non-
    current-carrying metal parts
    2,000 VAC, 50/60 Hz for 1 min
    Rated insulation voltage (Ui) 1,000 VAC
    Pollution degree (operating environment) 3 (IEC947-5-1)
    Short-circuit protective device 10 A-fuse type gG (IEC 60269)
    Protection against electric shock Class II
    Proof tracking index (PTI) 175
    Switch category D (IEC335)
    Rated operating current (Ie) 10 A
    Rated operating voltage (Ue) 250 VAC
    Vibration
    resistance
    Malfunction 10 to 55 Hz, 1.5-mm double amplitude *2
    Shock
    resistance
    Destruction 1,000 m/s2 max.
    Malfunction 300 m/s2 max. (in case of plunger model) *1 *2
    Ambient operating temperature -10°C to +80°C (with no icing)
    Ambient operating humidity 35% to 95%RH
    Weight Approx. 92 g (in case of ZC-Q22(21)55)

    *1. Only for models with plungers. (Contact your OMRON representative for information on other models.)
    *2. Less than 1 ms under a free state at the operating limits.


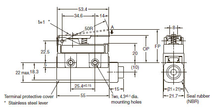
    Dimensions
    ZC-[]55_dm_713-111745
     

    Verification

    Click the numbers in sequence.

    Leave a message

    Please leave us a message and we will get back to you shortly.


    Verification

    Click the numbers in sequence.