Components & Accessories
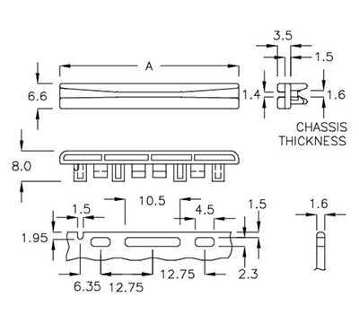
PCB GUIDE RAIL CGM-47DK
- Funnel Design on both ends, allow board be inserted easily
- Snap in Mount
PCB GUIDE RAIL CGM-47DK
FEATURES
SPECIFICATION

FEATURES
- Funnel Design on both ends, allow board be inserted easily
- Snap in Mount
SPECIFICATION
- MATERIAL: NYLON 66 (UL)
- FLAME CLASS: 94V-2
- COLOR: NATURAL

| PART NO | A | PACKAGE |
|---|---|---|
| CGM-47DK | 47.0 | 200 |
