Mold Parts
Rapid coupling, Stainless Steel, open flow, 90° angled
- Hasco Z801/d1xw1/Mat
- 1.4305
- max. 25 bar
Rapid coupling, Stainless Steel, open flow, 90° angled


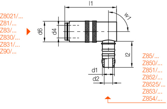
| p | l2 | l1 | d6 | d4 | d2 | d1 | w1 | Mat | Product |
|---|---|---|---|---|---|---|---|---|---|
| 25 | 26 | 48 | 17 | 9 | 6 | 9 | 90 | VA |
Z801/9x90/VA
|
| 25 | 30,5 | 53,5 | 22 | 13 | 9 | 13 | 90 | VA |
Z801/13x90/VA
|
The new HASCO cooling range in stainless steel is employed in cleanrooms or medical technology applications for the temperature control of injection moulds in reliable processes, using hot/cold water or oil. The high-quality 1.4305 material of the HASCO coupling system guarantees reliable and durable temperature control applications. The special FKM materials of the O-rings are eminently suitable for high temperature applications. The low compression set allows optimum and reliable deployment. Production losses due to leaks are considerably reduced.
- Ideal for medical and clean-room technology
- Seals in special FKM
- Standard system: ≤ 150°C (water), ≤ 200°C (oil)
- HT-System: ≤ 180°C (water), ≤ 220°C (oil)
- Low compression set
- Thread tightness even with large temperature differences
- Choice between open flow, or shut-off valves on one or both sides
- Quality material 1.4305
- Damage to functional surfaces is avoided
- Easy one-hand operation
- Compatible with the HASCO brass cooling range
