Components & Accessories
ROUND SPACER SUPPORT KWT-302
- Joint Circuit board with Chassis.
- Provides distance, space and support between Circuit board and chassis.
- Screw Mount design, offer extremely strength to fix circuit board on chassis.
ROUND SPACER SUPPORT KWT-302
FEATURES
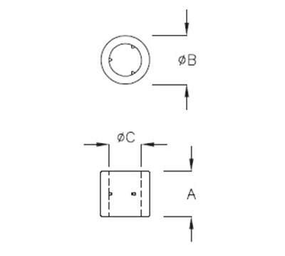
SPECIFICATION
FEATURES
- Joint Circuit board with Chassis.
- Provides distance, space and support between Circuit board and chassis.
- Screw Mount design, offer extremely strength to fix circuit board on chassis.
SPECIFICATION
- MATERIAL: NYLON66 (UL)
- FLAME CLASS: 94V-2
- COLOR: NATURAL
| PART NO | A | B | C | USE SCREW |
PACKAGE |
|---|---|---|---|---|---|
| KWT-103 | 3.1 | 2.5 | 1.0 | - | 2000 |
| KWT-302 | 2.0 | 5.0 | 3.3 | M3 | |
| KWT-305 | 5.0 | 5.0 | 3.3 | ||
| KWT-306 | 6.0 | 5.0 | 3.3 | ||
| KWT-308 | 8.0 | 5.0 | 3.3 | ||
| KWT-310 | 10.0 | 5.0 | 3.3 | ||
| KWT-311 | 11.0 | 5.0 | 3.3 | ||
| KWT-405 | 5.0 | 6.5 | 4.3 | M4 | |
| KWT-406 | 6.0 | 6.5 | 4.3 | ||
| KWT-408 | 8.0 | 6.5 | 4.3 | ||
| KWT-410 | 10.0 | 6.5 | 4.3 | ||
| KWT-412 | 12.0 | 6.5 | 4.3 | ||
| KWT-414 | 14.0 | 6.5 | 4.3 | ||
| KWT-416 | 16.0 | 6.5 | 4.3 |
