Mold Parts
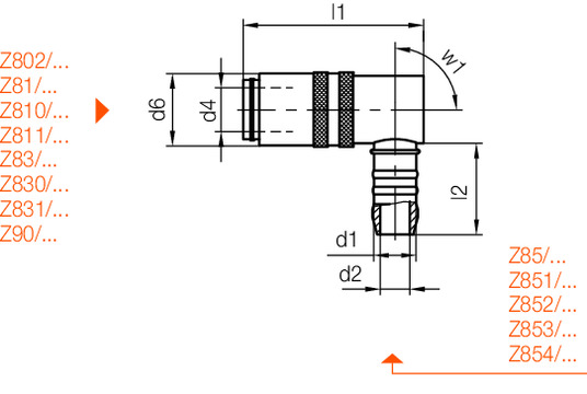
Shut-off coupling, with valve, 90° angled
- Hasco Z80/d1xw1
- 2.0401
- max. 25 bar
Shut-off coupling, with valve, 90° angled


| p | l2 | l1 | d6 | d4 | d2 | d1 | w1 | Product |
|---|---|---|---|---|---|---|---|---|
| 25 | 13,5 | 29,5 | 10 | 5 | 3,5 | 5 | 90 |
Z80/5x90
|
| 25 | 24,5 | 41 | 17 | 9 | 6 | 9 | 90 |
Z80/9x90
|
| 25 | 28 | 51 | 22 | 13 | 9 | 13 | 90 |
Z80/13x90
|
| 25 | 34 | 78 | 31 | 19 | 13 | 19 | 90 |
Z80/19x90
|
