Components & Accessories
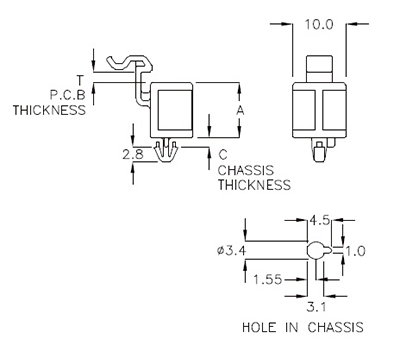
SPACER SUPPORT LMH-11
- Snap fit to joint PCB with chassis.
- Provides distance and space between Circuit board and chassis.
- Square hole fitting.
- Easily assembly.
SPACER SUPPORT LMH-11
FEATURES
SPECIFICATION

FEATURES
- Snap fit to joint PCB with chassis.
- Provides distance and space between Circuit board and chassis.
- Square hole fitting.
- Easily assembly.
SPECIFICATION
- MATERIAL: NYLON66 (UL)
- FLAME CLASS: 94V-2
- COLOR: NATURAL

| PART NO | A | T P.C.B THICKNESS |
C CHASSIS THICKNESS |
PACKAGE |
|---|---|---|---|---|
| LMH-11 | 10.5 | 1.6~1.8 | 1.4~1.6 | 1000 |
