Components & Accessories
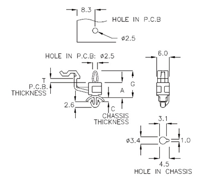
SPACER SUPPORT LMJ-7TC
- Snap fit to joint PCB with chassis.
- Provides distance and space between Circuit board and chassis.
- Chassis mount end slides in.
- Easily removed for repairing or changing.
SPACER SUPPORT LMJ-7TC
FEATURES
SPECIFICATION

FEATURES
- Snap fit to joint PCB with chassis.
- Provides distance and space between Circuit board and chassis.
- Chassis mount end slides in.
- Easily removed for repairing or changing.
SPECIFICATION
- MATERIAL: NYLON66 (UL)
- FLAME CLASS: 94V-2
- COLOR: NATURAL

| PART NO | A | G | T P.C.B. THICKNESS |
C CHASSIS THICKNESS |
PACKAGE |
|---|---|---|---|---|---|
| LMJ-7TC | 7.0 | 12.55 | 1.6 | 1.0~1.6 | 1000 |
