Components & Accessories
SPACER SUPPORT LMX-7BK
- Snap fit to joint PCB with chassis.
- Provides distance and space between Circuit board and chassis.
- Chassis mount end slides in.
- Easily removed for repairing or changing.
SPACER SUPPORT LMX-7BK
FEATURES
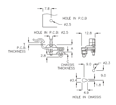
SPECIFICATION
FEATURES
- Snap fit to joint PCB with chassis.
- Provides distance and space between Circuit board and chassis.
- Chassis mount end slides in.
- Easily removed for repairing or changing.
SPECIFICATION
- MATERIAL: NYLON66 (UL)
- FLAME CLASS: 94V-2
- COLOR: NATURAL
| PART NO | A | T P.C.B. THICKNESS |
C CHASSIS THICKNESS |
PACKAGE |
|---|---|---|---|---|
| LMX-7BK | 6.7 | 1.6 | 1.0~1.6 | 500 |
