Components & Accessories
SPACER SUPPORT LS-15
- Snap fit to joint PCB with chassis or other PCB.
- Provides distance, space and support between Circuit boards.
- One piece design, no screws, nuts and washers needed.
- Locking arm clip design, easy to remove and replace.
SPACER SUPPORT LS-15
FEATURES
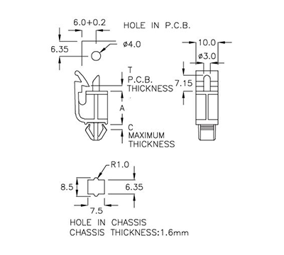
SPECIFICATION

FEATURES
- Snap fit to joint PCB with chassis or other PCB.
- Provides distance, space and support between Circuit boards.
- One piece design, no screws, nuts and washers needed.
- Locking arm clip design, easy to remove and replace.
SPECIFICATION
- MATERIAL: NYLON66 (UL)
- FLAME CLASS: 94V-2
- COLOR: NATURAL

| PART NO | A | T P.C.B. THICKNESS |
C MAXIMUM THICKNESS |
PACKAGE |
|---|---|---|---|---|
| LS-15 | 15.2 | 1.4~1.6 | 1.6 | 500 |
