Components & Accessories
SPACER SUPPORT LTW-7C
- Insert from the chassis underside.
- Provides distance, space and support between Circuit board and chassis.
- Minimize the protrusion on chassis bottom.
- Reverse locking circuit board.
SPACER SUPPORT LTW-7C
FEATURES
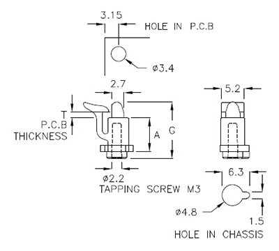
SPECIFICATION

FEATURES
- Insert from the chassis underside.
- Provides distance, space and support between Circuit board and chassis.
- Minimize the protrusion on chassis bottom.
- Reverse locking circuit board.
SPECIFICATION
- MATERIAL: NYLON66 (UL)
- FLAME CLASS: 94V-2
- COLOR: NATURAL, BLACK
- TAPPING SCREW M3 x 6

| PART NO | A | G | T P.C.B THICKNESS |
PACKAGE |
|---|---|---|---|---|
| LTW-7C | 7.85 | 7.85 | 1.0~1.2 | 1000 |
