Components & Accessories
SPACER SUPPORT SRS2-2A
- Snap fit to joint PCB with Chassis.
- Provides distance,space and support between Circuit boards.
- Use with screw to increase the strength of holding PCB.
SPACER SUPPORT SRS2-2A
FEATURES
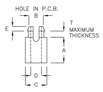
SPECIFICATION
FEATURES
- Snap fit to joint PCB with Chassis.
- Provides distance,space and support between Circuit boards.
- Use with screw to increase the strength of holding PCB.
SPECIFICATION
- MATERIAL: NYLON66 (UL)
- FLAME CLASS: 94V-2
- COLOR: NATURAL

| PART NO | A | B | C | D | T MAXIMUM THICKNESS |
E | PACKAGE |
|---|---|---|---|---|---|---|---|
| SRS2-2A | 2.5 | Ø3.0 | Ø4.0 | Ø2.1 | 1.6 | 1.0 | 2000 |
| SRS2-2M | 2.5 | Ø4.0 | Ø5.5 | Ø2.7 | 1.7 | 1.5 | |
| SRS2-3 | 3.0 | Ø4.0 | Ø5.5 | Ø2.7 | 1.7 | 1.5 | |
| SRS2-3GK | 3.5 | Ø4.0 | Ø5.5 | Ø2.7 | 1.7 | 1.4 | |
| SRS2-4 | 4.0 | Ø4.0 | Ø5.5 | Ø2.7 | 1.7 | 1.5 | |
| SRS2-4AC | 4.0 | Ø3.0 | Ø4.0 | Ø2.1 | 1.6 | 1.0 | |
| SRS2-4CB | 4.5 | Ø4.0 | Ø5.5 | Ø2.7 | 1.7 | 1.4 | |
| SRS2-5 | 5.0 | Ø4.0 | Ø5.5 | Ø2.7 | 1.7 | 1.5 | |
| SRS2-5ZM | 5.5 | Ø4.0 | Ø5.5 | Ø2.7 | 1.7 | 1.4 | |
| SRS2-6 | 6.0 | Ø4.0 | Ø5.5 | Ø2.7 | 1.7 | 1.5 | |
| SRS2-6A | 6.4 | Ø3.55 | Ø4.6 | Ø2.3 | 1.1 | 1.2 | |
| SRS2-8 | 8.0 | Ø4.0 | Ø5.5 | Ø2.7 | 1.6 | 1.4 | |
| SRS2-15 | 15.0 | Ø4.0 | Ø5.5 | Ø3.1 | 1.6 | 1.55 | 500 |
| SRS3-3 | 3.5 | Ø4.8 | Ø6.4 | Ø3.2 | 1.7 | 1.4 | 2000 |
| SRS3-3A | 3.0 | Ø4.0 | Ø5.5 | Ø2.8 | 1.6 | 1.4 | |
| SRS3-3M | 3.0 | Ø4.8 | Ø6.5 | Ø3.2 | 1.7 | 1.7 | |
| SRS3-3S | 2.7 | Ø4.8 | Ø6.5 | Ø3.2 | 1.7 | 1.6 | |
| SRS3-4 | 4.0 | Ø4.8 | Ø6.5 | Ø3.2 | 1.7 | 1.7 | |
| SRS3-4A | 4.5 | Ø4.8 | Ø6.5 | Ø3.4 | 1.6 | 1.9 | |
| SRS3-5 | 5.0 | Ø4.8 | Ø6.5 | Ø3.2 | 1.7 | 1.6 | |
| SRS3-6 | 6.5 | Ø4.8 | Ø6.4 | Ø3.2 | 1.7 | 1.6 | 1000 |
| SRS3-6S | 6.1 | Ø4.8 | Ø6.5 | Ø3.2 | 1.7 | 1.6 | |
| SRS3-7 | 7.7 | Ø4.8 | Ø6.5 | Ø3.2 | 1.7 | 1.7 | |
| SRS3-7F | 7.4 | Ø4.8 | Ø6.5 | Ø3.2 | 1.7 | 1.7 | |
| SRS3-7S | 7.0 | Ø4.8 | Ø6.5 | Ø3.2 | 1.7 | 1.6 | |
| SRS3-8 | 8.0 | Ø4.8 | Ø6.5 | Ø3.2 | 1.7 | 1.6 | |
| SRS3-9 | 9.0 | Ø4.8 | Ø6.5 | Ø3.2 | 1.7 | 1.8 | |
| SRS3-10M | 10.5 | Ø4.8 | Ø6.5 | Ø3.2 | 1.7 | 1.7 | |
| SRS3-12A | 12.7 | Ø4.8 | Ø6.5 | Ø3.2 | 1.7 | 1.8 | 500 |
| SRS3-14 | 14.2 | Ø4.8 | Ø6.5 | Ø3.2 | 1.7 | 1.7 | |
| SRS4-6 | 6.4 | Ø6.0 | Ø6.9 | Ø3.9 | 1.7 | 1.6 | 1000 |
| SRS4-12 | 12.7 | Ø6.0 | Ø6.9 | Ø3.9 | 1.7 | 1.7 | 500 |
| SRS4-12S | 12.0 | Ø6.0 | Ø6.9 | Ø3.9 | 1.7 | 1.6 |
