Components & Accessories
SPACER SUPPORT UB-6F
- Joint PCB with Chassis.
- Provides distance, space and support between Circuit boards.
- Adhesive back and Slide installation design, no need for assembly holes on both ends.
SPACER SUPPORT UB-6F
FEATURES
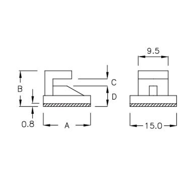
SPECIFICATION

FEATURES
- Joint PCB with Chassis.
- Provides distance, space and support between Circuit boards.
- Adhesive back and Slide installation design, no need for assembly holes on both ends.
SPECIFICATION
- MATERIAL: NYLON66 (UL)
- FLAME CLASS: 94V-2
- COLOR: NATURAL
- ADHESIVE TAPE: 3M

|
PART NO
|
A
|
B
|
C
|
D
|
PACKAGE
|
|---|---|---|---|---|---|
|
UB-6F
|
15.0
|
11.1
|
2.2
|
6.35
|
500
|
|
UB-11F
|
15.0
|
15.8
|
2.4
|
10.8
|
|
|
UB-12F
|
15.0
|
16.7
|
2.3
|
11.9
|
