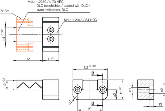
Mold Parts
Square guide bar, DLC


| r1 | t3 | t2 | t1 | a2 | a1 | b2 | d2 | d1 | b1 | l1 | l2 | Typ | Product |
|---|---|---|---|---|---|---|---|---|---|---|---|---|---|
| 6 | 6,2 | 13,5 | 27 | 13,5 | 34 | 47 | 10,3 | 6,3 | 20 | 22 | 22 | 2 |
Z071/20x22x22/2
|
| 6 | 6,2 | 13,5 | 27 | 13,5 | 34 | 47 | 10,3 | 6,3 | 20 | 22 | 40 | 2 |
Z071/20x22x40/2
|
| 8 | 6,2 | 14,5 | 30 | 15 | 39 | 52 | 10,3 | 6,3 | 25 | 27 | 40 | 2 |
Z071/25x27x40/2
|
| 8 | 6,2 | 14,5 | 30 | 15 | 39 | 52 | 10,3 | 6,3 | 25 | 27 | 63 | 2 |
Z071/25x27x63/2
|
| 8 | 9 | 19,5 | 40 | 20 | 49 | 67 | 15 | 9 | 32 | 36 | 40 | 2 |
Z071/32x36x40/2
|
| 8 | 9 | 19,5 | 40 | 20 | 49 | 67 | 15 | 9 | 32 | 36 | 80 | 2 |
Z071/32x36x80/2
|
| 10 | 11 | 22,5 | 50 | 23 | 63 | 88 | 18 | 11 | 40 | 46 | 50 | 2 |
Z071/40x46x50/2
|
| 10 | 11 | 22,5 | 50 | 23 | 63 | 88 | 18 | 11 | 40 | 46 | 100 | 2 |
Z071/40x46x100/2
|
| 10 | 13 | 24,5 | 55 | 27,5 | 75 | 100 | 20 | 14 | 50 | 56 | 56 | 2 |
Z071/50x56x56/2
|
| 10 | 13 | 24,5 | 55 | 27,5 | 75 | 100 | 20 | 14 | 50 | 56 | 112 | 2 |
Z071/50x56x112/2
|
