Components & Accessories
THREADED HEX SPACER SUPPORT H-32
- Joint PCB with Chassis.
- Provides distance, space and support between Circuit boards.
- Use with M3 screw to increase the power of holding PCB.
THREADED HEX SPACER SUPPORT H-32
FEATURES
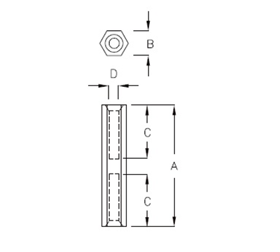
SPECIFICATION

FEATURES
- Joint PCB with Chassis.
- Provides distance, space and support between Circuit boards.
- Use with M3 screw to increase the power of holding PCB.
SPECIFICATION
- MATERIAL: NYLON66 (UL)
- FLAME CLASS: 94V-2
- COLOR: NATURAL
- SCREW: M3 TAPPING SCREW

| PART NO | A | B | C | D | PACKAGE |
|---|---|---|---|---|---|
| H-32 | 32.0 | 5.5 | 14.0 | Ø2.6 | 500 |
| H-49 | 49.0 | 5.5 | 15.0 | Ø2.6 | 200 |
